|
※ 問題1及び問題2は必須問題ですから、必ず解答してください。 |
| No 1 |
あなたが経験した主な造園工事のうち、工事の施工管理において「工程管理」又は「品質管理」上の課題があった1つの工事を選び、その工事に関する以下の設問(1)〜(5)について答えなさい。(造園工事以外の記述は採点の対象となりません。)
解答は、解答用紙の所定の解答欄に記述しなさい。
|
| (1) |
工事名
|
| (2) |
工事の内容 |
|
(1)の工事について、以下の1 〜5 について明確に記述しなさい。
|
|
| 1. |
施工場所
|
| 2. |
(ア)この工事の契約上の発注者名又は注文者名
(イ)この工事における、あなたの所属する会社等の契約上の立場
【元請(共同企業体を含む)、下請(一次、二次下請等)、発注者(注文者)、その他( )】 |
| 3. |
工 期
|
| 4. |
工事金額又は請負代金額
|
| 5. |
工事概要
|
|
| (ア) |
工事の内容について具体的に記述しなさい。
|
| (イ) |
工事数量について具体的に記述しなさい。(例:工種、種別、細別、数量、規格等)
|
| (ウ) |
現場の状況(関連工事の有無及びその内容も含む)、周辺状況について具体的に記述しなさい。
|
|
|
| (3) |
工事現場における施工管理上のあなたの立場を記述しなさい。
|
| (4) |
上記工事の施工にあたり、課題があった管理項目名(工程管理又は品質管理)及び、その課題の内容を具体的に記述しなさい。
|
| (5) |
(4)の課題に対し、あなたが現場で実施した処置又は対策を具体的に記述しなさい。
|
|
|
|
|
|
※ 問題1及び問題2は必須ですから、必ず解答してください。 |
| No 2 |
下図に示す公園における造園工事に関する以下の設問(1)〜(4)について答えなさい。
解答は、解答用紙の所定の解答欄に記述しなさい。
|
|
 |
|
〔工事数量表〕
| 工種 |
種別 |
細別 |
規格 |
単位 |
数量 |
摘要 |
| 植栽基盤工 |
※ |
※ |
※ |
※ |
※ |
|
| 植栽工 |
高木植栽工 |
コナラ |
H(m) |
C(m) |
W(m) |
本 |
10 |
二脚鳥居型支柱
(添え木付) |
| 4.0 |
0.21 |
1.5 |
| クヌギ |
H(m) |
C(m) |
W(m) |
本 |
55 |
二脚鳥居型支柱
(添え木付) |
| 3.0 |
0.12 |
0.8 |
| 中低木植栽工 |
サツキツツジ |
H(m) |
C(m) |
W(m) |
本 |
200 |
|
| 0.3 |
- |
0.4 |
| 地被類植栽工 |
コウライシバ |
|
|
|
m2 |
1,500 |
目地張り
(目土あり) |
| 移植工 |
高木移植工 |
シラカシ |
H(m) |
C(m) |
W(m) |
本 |
6 |
八ツ掛支柱
(丸太三本) |
| 5.0 |
0.40 |
1.8 |
| 園路広場整備工 |
樹脂系園路工 |
樹脂舗装 |
|
m2 |
1,300 |
|
| 土系園路工 |
土舗装 |
|
m2 |
1,500 |
|
| 遊戯施設整備工 |
遊具組立設置工 |
複合木製遊具 |
|
基 |
2 |
遊具の周辺は砂舗
装とする |
注)表中の*の欄に入れる語句及び数値は、出題の主旨から記入していない。
| 〔工事に係る条件〕 |
| ・ |
本工事は、関東地方の既成市街地にある近隣公園において、その一部区域の整備を行うものであり、上記の工事数量表に基づく工事を施工するものである。 |
| ・ |
工事区域以外は整備済であり、工事区域は約7,000 m2である。 |
| ・ |
工事区域内の植栽予定地は、整地基盤まで整備済であるが、北東側のクヌギの植栽地は、事前の調査により、部分的に固結し、また、有効土層の範囲には良質な土壌の中に粘質土が塊状あるいは部分的に層状に分布していることが確認されている。ただし、下層地盤の排水性には問題はない。 |
| ・ |
シラカシは、溝掘式の根回しを行ってあるものを約2 km 離れた宅地造成地から移植する。 |
| ・ |
工期は11 月1 日から翌年の3 月15日までとする。 |
|
|
|
|
|
| (1) |
植栽基盤工に関し、以下の(イ)、(ロ)について答えなさい。 |
| (イ) |
植栽基盤の整備のため、土壌条件を確認するために必要な一般的な調査項目と、現場での調査方法をそれぞれ3つずつ記述しなさい。
|
|
解答と解説:
答え
透水試験
長谷川式簡易現場透水試験器などにより植栽設計時や現場施工直前の透水性チェックを実施する。
土壌硬度試験
山中式土壌硬度計などにて土壌の圧密抵抗を求める。
土壌安全検定
pH、過酸化水素pH、パイライト粒子目視確認、硫酸イオンについて確認する。
土壌診断
硝酸態窒素、水溶性リン酸、水溶性カリウムの試験を実施
|
|
|
| (ロ) |
課題のあるクヌギの植栽地の植栽基盤整備において、一般的に考えられる土層及び土壌の改良方法を具体的に2つ記述しなさい(土壌の化学性の改良方法に関する内容は除く)。 |
|
解答と解説:
答え
土壌改良工として
植栽盛土工 植栽のために良質土を盛土する。
耕耘工 表層約20cm をバックホウや耕耘機などで耕起する工法。
客土工 植穴又は植栽帯に良質客土を投入する工法。
土性改良工 無機質系土壌改良資材の混合
|
|
|
| (2) |
高木植栽工に関し、以下の(イ)、(ロ)について答えなさい。 |
| (イ) |
植付けにおいて、基肥を施す場合の施工上留意すべき事項を具体的に記述しなさい。 |
|
解答と解説:
答え
根やけを防止するため、基肥は、直接根に当たらないようにする。
|
| (ロ) |
植付け後の支柱の取付け方法を具体的に3つ記述しなさい。 |
|
解答と解説:
答え 1 支柱と樹幹の取り付け部分は杉皮を巻き、棕櫚縄で固定する。
2 支柱に用いる丸太は防腐処理を施したものを用いる。
3 樹姿に注意しながら添え木を取り付ける。
4 支柱と横架丸太は釘打ち固定後、鉄線掛けとする。
|
|
|
| (3) |
高木植栽工に関し、以下の(イ)〜(ヘ)について答えなさい。 |
|
|
| (4) |
遊具施設整備工に関し、以下の(イ)、(ロ)について答えなさい。 |
|
|
|
|
|
|
※ 問題3、問題4、問題5は選択問題ですから、このうち1題を選択し解答してください。 |
|
【選択問題】 |
| No 3 |
工程管理に関する以下の設問(1)、(2)について答えなさい。
解答は、解答用紙の所定の解答欄に記述しなさい。
|
| (1) |
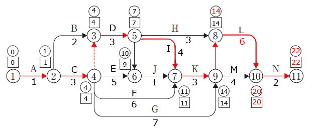
下図は、ある造園工事の未完成のネットワーク図である。 |
|
| (イ) |
下記の条件に従い、解答用紙の未完成のネットワーク図を完成させなさい。(作業名は記号で図示) |
|
|
 |
|
| 〔条件〕 |
・ |
CはAの後続作業である。 |
|
・ |
DはBの後続作業であり、Cが終わらないと着手できない。 |
|
・ |
EはCの後続作業である。 |
|
・ |
FはCの後続作業である。 |
|
・ |
HはDの後続作業である。 |
|
・ |
IはDの後続作業である。 |
|
・ |
JはEの後続作業であり、Dが終わらないと着手できない。 |
|
・ |
KはFとIとJの後続作業である。 |
|
・ |
LはHの後続作業であり、Kが終わらないと着手できない。 |
|
・ |
MはKとGの後続作業である。 |
|
・ |
NはLとMの後続作業である。 |
|
|
解答と解説:
答え
|
|
|
|
|
|
| (ロ) |
(イ)の場合において、工程の各作業の所要日数が下記のとき、クリティカルパスの作業名を記述しなさい。(例:A→B→Cの要領による)
|
| 作 業 |
A |
B |
C |
D |
E |
F |
G |
H |
I |
J |
K |
L |
M |
N |
| 所要日数 |
1 |
2 |
3 |
3 |
5 |
6 |
7 |
3 |
4 |
1 |
3 |
3 |
4 |
2 |
|
|
解答と解説:
答え
クリティカルパスは
A→C→D→I→K→M→N

|
|
|
| (ハ) |
(ロ)の場合において、作業Hを最も早く開始することができ、かつ、(ロ)のクリティカルパスにおける全所要日数を延ばすことができないとき、作業Hを延ばすことのできる最大日数(トータルフロート)は何日か。 |
|
解答と解説:
答え作業Hのトータルフロートは、
イベント8の最遅完了時刻−イベント5の最早開始時刻+作業Hの所要日数にて求められる。
よって、15−7+3=5日となる。

|
|
| (ニ) |
(ロ)の場合において、イベント6 の最遅結合点時刻は何日か。 |
|
解答と解説:
答え
イベント6 の最遅結合点時刻は、イベント7のパス時刻より作業日数を引いた数。
11−1=10日となる。
|
|
| (ホ) |
(イ)、(ロ)の場合において、各作業の1日当たり作業員数が下記のとき、以下の1)、2)について答えなさい。 |
| 作 業 |
A |
B |
C |
D |
E |
F |
G |
H |
I |
J |
K |
L |
M |
N |
| 所要日数 |
2 |
2 |
4 |
2 |
3 |
2 |
1 |
5 |
2 |
5 |
3 |
3 |
2 |
3 |
|
| (山積図の下書き用) |
| 1) |
工期が最短で、かつ、ピーク時の作業員数が最小となる山積図を解答用紙に作成しなさい。
ただし、各作業は分割して行えないものとする。 |
|
| (山積図の作成例) |
(山積図の下書き用) |
 |
 |
|
|
解答と解説:
答え
山積み図は下記のようる
|
|
| 2) |
1)の場合の1日当たり最大作業員数は何人か。 |
|
解答と解説:
|
|
| (ヘ) |
施工箇所の条件から所要日数について再検討したところ、作業Gが2日、作業Lが3日多くかかることが判明した。
この場合のクリティカルパスにおける全所要日数は何日か。 |
|
解答と解説:
答え 条件による工程見直しは下図による。

このクリティカルパスは、
A→C→D→I→K→L→N
全所要日数は、22日になる。
|
|
| (ト) |
(ヘ)の場合において、(ホ)の各作業の1日当たり作業員数に変更がないとき、1日当たり最大作業員数は何人か。 |
|
解答と解説:
答え 山積み図を直すと以下のようになる。
よって、9人
|
|
|
|
| (2) |
工事の「建設費」と「工期」の関係に関する次の記述の 〜 に当てはまる適当な語句を記述しなさい。 |
|
「工事の建設費を直接費と間接費に分けると、一般に工期の短縮に伴って直接費は増加し、間接費は減少する。
工事を構成している各作業の直接費がそれぞれ最小となるような工期のとき、全工事の総直接費は最小となり、この総直接費を工事の という。次に、工事全体について工期をだんだん短縮していくと、どんなに直接費をかけてもそれ以上短縮できない工期の限界に至る。この限界における直接費を と呼ぶ。
一方、間接費は、全工事の総直接費が最小となる工期で最大、どんなに直接費をかけてもそれ以上短縮できない工期で最小となる。
このようにして得られた直接費及び間接費の工期との関係から求められる両者の合計が最小となる工期を と呼ぶ。 |
|
解答と解説:
答え A 標準費用(又はノーマルコスト)
B 特急費用(又はクラッシュコスト)
C 最適工期(適正工期でも可)
|
|
|
【選択問題】 |
| No 4 |
次の工事数量表に基づく造園工事の品質管理に関する以下の設問(1)〜(4)について答えなさい。
解答は、解答用紙の所定の解答欄に記述しなさい。 |
|
〔工事数量表〕
| 工種 |
種別 |
細別 |
規格 |
単位 |
数量 |
摘要 |
| 植栽工 |
高木植栽工 |
クスノキ |
H(m) |
C(m) |
W(m) |
本 |
10 |
支柱取付け |
| 5.0 |
0.50 |
1.8 |
| ナツツバキ |
H(m) |
C(m) |
W(m) |
本 |
5 |
支柱取付け
3本立以上 |
| 3.5 |
0.25 |
- |
| 地被類植栽工 |
コウライシバ |
|
m2 |
150 |
目地張り (目土あり) |
| シバザクラ |
3芽立 |
m2 |
50 |
コンテナ径
9.0 cm |
|
| (1) |
「公共用緑化樹木等品質寸法規格基準(案)」に関する次の記述の 〜 に当てはまる語句を下記のア〜クの中から選び、その記号を解答欄に記入しなさい。
|
|
|
| (2) |
「公共用緑化樹木等品質寸法規格基準(案)」に関し、以下の(イ)、(ロ)について答えなさい。
|
| (イ) |
一般的な株立物の幹周(C)の測定方法を具体的に記述しなさい。また、下図に示すナツツバキについて、樹高は寸法規格を満たしているものとして、幹周(C)の値を求めなさい。 |
|
 |
|
各測点の周長(m)
ア=0.07 イ=0.09 ウ=0.10
エ=0.08 オ=0.06 |
|
|
|
解答と解説:
答え
幹周の測定方法として、根鉢の上株より1.2m上部を測定する。
分岐している場合は分岐部より上部の該当位置を測定する。
2本立て以上の樹種の場合は各々の周長の和の70%を周長とする。
設問のナナツバキの場合、(ア+イ+ウ+エ+オ)×70%となるので
(0.07+0.09+0.1+0.08+0.06)×0.7=0.28m となる。
|
|
| (ロ) |
下表に示すア〜オのナツツバキについて、本工事に使用するものとして、樹高の寸法規格基準を満たすものの記号をすべて解答欄に記入しなさい。 |
|
| 記号 |
株立数(本) |
それぞれの樹高(m) |
| ア |
3 |
3.7 |
3.6 |
2.3 |
|
|
| イ |
3 |
3.5 |
3.5 |
2.5 |
|
|
| ウ |
5 |
3.5 |
2.5 |
3.6 |
3.5 |
2.8 |
| エ |
4 |
2.5 |
3.5 |
3.3 |
3.0 |
|
| オ |
3 |
3.7 |
3.5 |
2.5 |
|
|
|
|
解答と解説:
答え 樹高の寸法規格基準を満たすものの条件として3本立以上の場合は、過半数が所要の高さに達し、且つ樹高が70%以上に達していることとなっている。
今回の条件はH=3.5m C=0.25m なので、エは過半が3.5m以下なので満たしていない。
次に過半以下の樹高が3.5×0.7=2.45以上でなければならないので、アは満たされない。
よって、イ、ウ、オ が条件を満たすものになる。
|
|
| (3) |
「公共用緑化樹木等品質寸法規格基準(案)」に関し、以下の(イ)〜(ハ)について答えなさい。
|
| (イ) |
クスノキの品質規格のうちの樹勢に関し、「根」と「枝」についての品質判定上の留意事項をそれぞれ記述しなさい。 |
|
解答と解説:
答え
根について
良い根の発達状態。
根鉢範囲に細根が多い。
根鉢が乾燥していない。
枝
徒長枝や枯損枝、枝折れ等を事前に処理しておくこと
適切な剪定が行われていること。
|
|
| (ロ) |
コウライシバの品質規格に関し、「表示項目」を2つ記述し、それぞれの品質判定上の留意事項を記述しなさい。 |
|
解答と解説:
答え
コウライシバの表示項目は、葉、ほふく茎、根、病害虫 雑草である。
品質判定上の留意事項
葉
葉の形、葉の色が正常であり、全体が均一に密生していること
ほふく茎
密生している状態であり、色など生気のあること
根
乾燥がなく、張りがあること。
病害虫
斑点など病害、病歴がなく、害虫等による虫食いがないこと
雑草等
雑草や異なった品種が混じっていないこと。
|
|
| (ハ) |
シバザクラの品質規格に関し、「花」についての品質判定上の留意事項を記述しなさい。 |
|
解答と解説:
答え
シバザクラの花に関する品質規格としては、着花状態や花芽の状態が良好であること。正常な形態や色であること
|
|
| (4) |
本工事で発生する表土を仮置き場で保存し、高木を植栽する際の植栽用土壌として活用することになった。仮置き場における表土の保護養生に当たり、「留意すべき事項」を2つ記述し、それぞれの事項に対する「対策」を具体的に記述しなさい。 |
|
解答と解説:
答え 「留意すべき事項」
根や表土の乾燥飛散、流出等の防止
「対策」
シートや筵などで覆う。
「留意すべき事項」
土の過度な緊密化の防止
「対策」
自重による圧密を防止するため、盛土は薄めにする。(当然、締固めはしない)
|
|
|
【選択問題】 |
| No 5 |
次の工事数量表に基づく造園工事の安全管理に関する以下の設問(1)〜(3)について答えなさい。
解答は、解答用紙の所定の解答欄に記述しなさい。 |
|
〔工事数量表〕
| 工種 |
種別 |
細別 |
規格 |
単位 |
数量 |
摘要 |
| 移植工 |
高木移植工 |
クスノキ |
H(m) |
C(m) |
W(m) |
本 |
5 |
|
| 7.0 |
0.80 |
3.0 |
| 植栽工 |
高木植栽工 |
ソメイヨシノ |
H(m) |
C(m) |
W(m) |
本 |
5 |
二脚鳥居型
(添え木付) |
| 4.0 |
0.21 |
1.8 |
| 低木植栽工 |
サトザクラ |
H(m) |
C(m) |
W(m) |
本 |
5 |
二脚鳥居型
(添え木付) |
| 3.5 |
0.18 |
1.2 |
〔工事に係る条件〕
| ・ |
本工事は、供用後50 年を経過した地区公園(面積6.0 ha)の一部区域の再整備を行うものであり、上記の工事数量表に基づく工事を施工するものである。 |
| ・ |
クスノキは公園内の別の場所に移植するものである。 |
| ・ |
工事区域は、平坦で、既設の構造物及び障害物はない。ただし、占用物件として水道管、下水道管が埋設されている。 |
|
|
|
| (1) |
高木移植工について、作業員がはしごを使用して枝抜きなどの作業を行う際、作業の安全確保のために行わせる必要のある安全管理上の措置を具体的に3つ記述しなさい(はしごの品質、規格、機能に関する内容は除く)。 |
|
解答と解説:
答え
1 はしごの取り付け角度を保つ。
2 はしごを立ち木に固定する。
3 安全帯の使用
4 保護帽の着用
|
|
| (2) |
移植工及び植栽工について、埋設物のある区域で工事を施工する場合の「建設工事公衆災害防止対策要綱」等における安全管理上の措置を具体的に3つ記述しなさい。 |
|
解答と解説:
答え 1 埋設物の種類、位置の確認をするため、埋設物管理者等の立会いをする。
2 施行前に予め試掘を実施し、目視にて種類、位置を確認する。
3 埋設物の露出時などは、埋設物を維持保存する。
4 工事の損傷防止及び、公衆災害の防止に努める。
|
|
| (3) |
施工中の作業場に工事用車両による材料等の搬入搬出を行う際、公園利用者の安全を確保するために行うべき措置を具体的に3つ記述しなさい(工事用車両の運転手が遵守すべき内容に関するものは除く)。
|
|
解答と解説:
答え
1 作業範囲内に作業員を立ち入らせない。
2 車両の運行は誘導員の合図により行う。
3 資材搬入時間については公園利用者の時間帯を配慮して決める。
4 公園利用者を作業動線と重ならないようにする。
5 運行範囲内に一般公園利用者を立ち入りを抑制する。
|
|
| (4) |
植栽する樹木の植え穴をバックホウで掘削する際、運転者が作業の安全を確保するために行うべき措置を具体的に3つ記述しなさい。
|
|
解答と解説:
答え 1 旋回範囲内に作業員を立ち入らせないようにする。
2 吊り荷や荷重をかけたままで運転席を離れない
3 作業機械は用途以外の使用をしない
4 作業範囲内は柵、ロープ等にて囲い、人が立ち入らないようにする。
5 後進時などは誘導員を設置する。
|
|
|
|
|
|
|
|